iMX_C15T_C
Suitable for 3-dimensional free-form surface cutting such as blades.
High feed cutting is possible due to multiple cutting edges.
The actual product may differ from the displayed image.
= in Stock
= Out of Stock
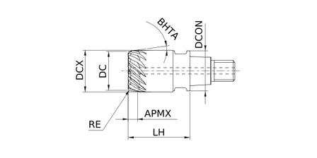
| Name | Name | Type | Cutting Diameter | IC | L/D | Cutting Width | Shank Diameter |
Maximum Depth of Cut |
Functional Length |
Connection Diameter | Corner Radius | Shank Height | Shank Width |
Cutting Edge
Length |
Number of Cutting Edge |
Breaker | Materials |
Functional Length |
Hand | Coolant | Stock | Price | ||||||||||
|---|---|---|---|---|---|---|---|---|---|---|---|---|---|---|---|---|---|---|---|---|---|---|---|---|---|---|---|---|---|---|---|---|
| mm | inch | mm | inch | mm | inch | mm | inch | mm | inch | mm | inch | mm | inch | mm | inch | mm | inch | |||||||||||||||