VQFDRB
series image

Duplex corner radius type allows more efficient high feed.
High feed cutting realized through use of multiple cuts.

The actual product may differ from the displayed image.

Liquid error (snippets/custom-collection-grid-drawing line 21): concat filter requires an array argument
01
Liquid error (snippets/custom-collection-grid-drawing line 21): concat filter requires an array argument
02

in stock mark

= in Stock

out of stock mark

= Out of Stock

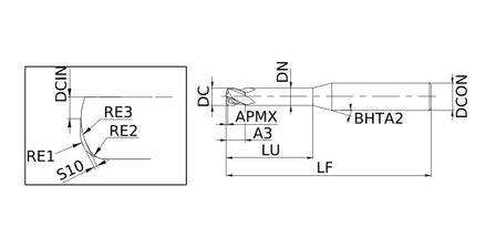
Name Name Type Cutting Diameter IC L/D Cutting Width Shank Diameter Maximum
Depth of Cut
Functional
Length
Connection Diameter Corner Radius Shank Height Shank Width Cutting Edge
Length
Number of
Cutting
Edge
Breaker Materials Functional
Length
Hand Coolant Stock Price  
mm inch mm inch mm inch mm inch mm inch mm inch mm inch mm inch mm inch
Series Image