The actual product may differ from the displayed image.
The actual product may differ from the displayed image.
1
/
of
2
EDP
10605929
ANSI
DLE0300S030P060 DP1020
ISO
DLE0300S030P060 DP1020
Stock
7
Price
Regular price
$78.99 USD
Regular price
Sale price
$78.99 USD
Unit price
/
per
EDP
10605929
ANSI
DLE0300S030P060 DP1020
ISO
DLE0300S030P060 DP1020
Change the number in sums of 1s.
Couldn't load pickup availability

- Dimensions
- Features
- Drawings
- Technical Information
Coolant
External
Hand
Right
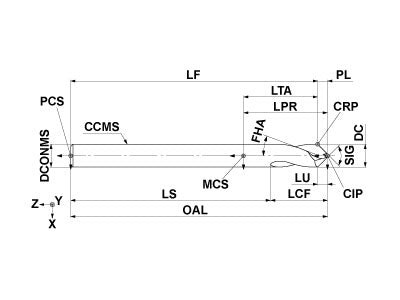
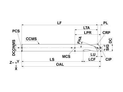
Unit: mm
DC
3
LU
2
LCF
9
OAL
45
DCONMS
3
PL
2.1
SIG
60
FHA
25
ZEFF
2
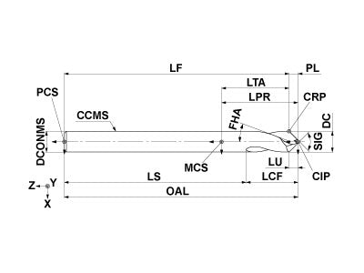
Unit: mm
DC
3
LU
2
LCF
9
OAL
45
DCONMS
3
PL
2.1
SIG
60
FHA
25
ZEFF
2
The thinning pocket promotes smooth chip discharge and brings excellent hole position accuracy.
Sharp cutting edge and high fracture resistance.
Two-step point angles
Extensive support for CNC automatic lathes.
2D Model (DXF)
3D Model (STP)
Select files to download
Related Products
= in Stock
= Out of Stock