The actual product may differ from the displayed image.
The actual product may differ from the displayed image.
1
/
of
2
EDP
10605950
ANSI
DLE0600S060P060 DP1020
ISO
DLE0600S060P060 DP1020
Stock
15
Price
Regular price
$108.50 USD
Regular price
Sale price
$108.50 USD
Unit price
/
per
EDP
10605950
ANSI
DLE0600S060P060 DP1020
ISO
DLE0600S060P060 DP1020
Change the number in sums of 1s.
Couldn't load pickup availability

- Dimensions
- Features
- Drawings
- Technical Information
Coolant
External
Hand
Right
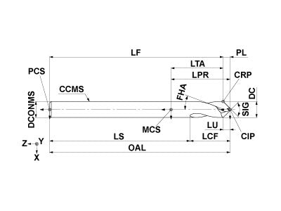
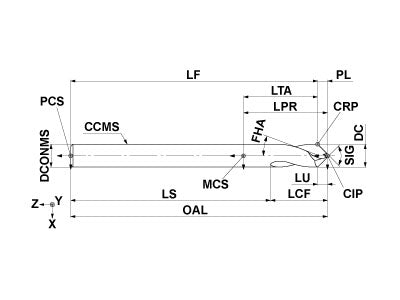
Unit: mm
DC
6
LU
4
LCF
15
OAL
66
DCONMS
6
PL
4.2
SIG
60
FHA
25
ZEFF
2
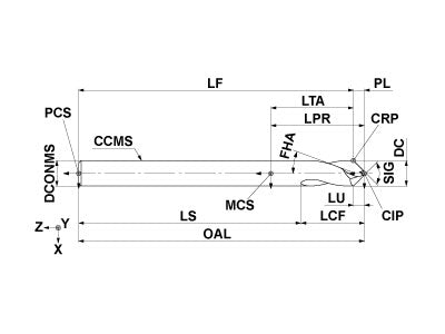
Unit: mm
DC
6
LU
4
LCF
15
OAL
66
DCONMS
6
PL
4.2
SIG
60
FHA
25
ZEFF
2
The thinning pocket promotes smooth chip discharge and brings excellent hole position accuracy.
Sharp cutting edge and high fracture resistance.
Two-step point angles
Extensive support for CNC automatic lathes.
2D Model (DXF)
3D Model (STP)
Select files to download
Related Products
= in Stock
= Out of Stock