The actual product may differ from the displayed image.
The actual product may differ from the displayed image.
1
/
of
2
EDP
10606063
ANSI
DLE1000S100P120 DP1020
ISO
DLE1000S100P120 DP1020
Stock
5
Price
Regular price
$157.07 USD
Regular price
Sale price
$157.07 USD
Unit price
/
per
EDP
10606063
ANSI
DLE1000S100P120 DP1020
ISO
DLE1000S100P120 DP1020
Change the number in sums of 1s.
Couldn't load pickup availability

- Dimensions
- Features
- Drawings
- Technical Information
Coolant
External
Hand
Right
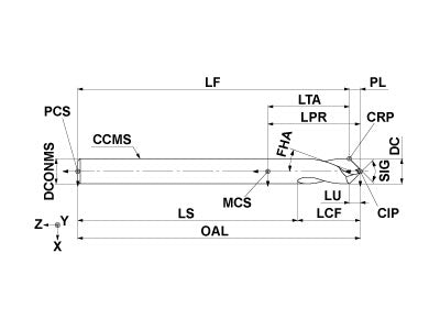
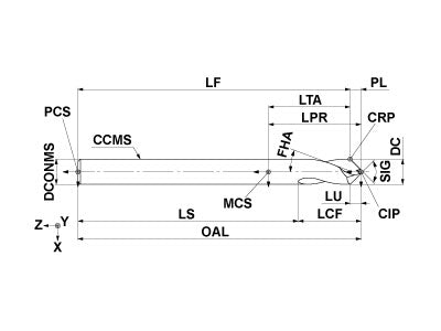
Unit: mm
DC
10
LU
2.8
LCF
24
OAL
84
DCONMS
10
PL
2.9
SIG
120
FHA
25
ZEFF
2
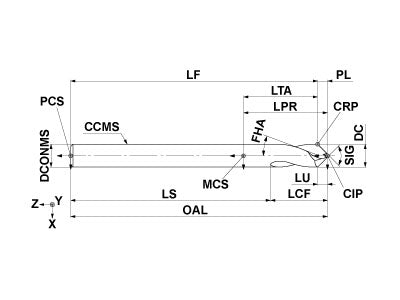
Unit: mm
DC
10
LU
2.8
LCF
24
OAL
84
DCONMS
10
PL
2.9
SIG
120
FHA
25
ZEFF
2
The thinning pocket promotes smooth chip discharge and brings excellent hole position accuracy.
Sharp cutting edge and high fracture resistance.
One-step point angles
Extensive support for CNC automatic lathes.
2D Model (DXF)
3D Model (STP)
Select files to download
Related Products
= in Stock
= Out of Stock