The actual product may differ from the displayed image.
The actual product may differ from the displayed image.
1
/
of
2
EDP
10606124
ANSI
DLE0700S070P145 DP1020
ISO
DLE0700S070P145 DP1020
Stock
11
Price
Regular price
$119.52 USD
Regular price
Sale price
$119.52 USD
Unit price
/
per
EDP
10606124
ANSI
DLE0700S070P145 DP1020
ISO
DLE0700S070P145 DP1020
Change the number in sums of 1s.
Couldn't load pickup availability

- Dimensions
- Features
- Drawings
- Technical Information
Coolant
External
Hand
Right
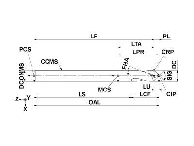
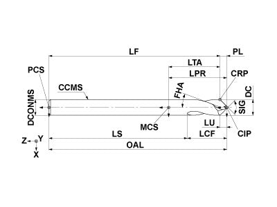
Unit: mm
DC
7
LU
1
LCF
18
OAL
74
DCONMS
7
PL
1.1
SIG
145
FHA
25
ZEFF
2
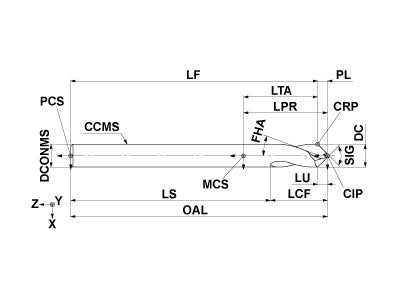
Unit: mm
DC
7
LU
1
LCF
18
OAL
74
DCONMS
7
PL
1.1
SIG
145
FHA
25
ZEFF
2
The thinning pocket promotes smooth chip discharge and brings excellent hole position accuracy.
Sharp cutting edge and high fracture resistance.
One-step point angles
Extensive support for CNC automatic lathes.
2D Model (DXF)
3D Model (STP)
Select files to download
Related Products
= in Stock
= Out of Stock