The actual product may differ from the displayed image.
The actual product may differ from the displayed image.
1
/
of
2
EDP
10614372
ANSI
DLE0100S030P090 DP102A
ISO
DLE0100S030P090 DP102A
Stock
9
Price
Regular price
$113.17 USD
Regular price
Sale price
$113.17 USD
Unit price
/
per
EDP
10614372
ANSI
DLE0100S030P090 DP102A
ISO
DLE0100S030P090 DP102A
Change the number in sums of 1s.
Couldn't load pickup availability

- Dimensions
- Features
- Drawings
- Technical Information
Coolant
External
Hand
Right
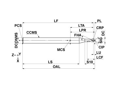
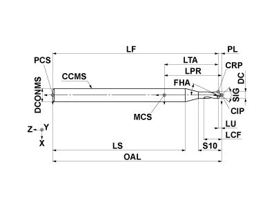
Unit: mm
DC
1
LU
0.35
LCF
2
OAL
45
DCONMS
3
PL
0.4
SIG
90
FHA
25
ZEFF
2
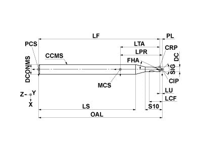
Unit: mm
DC
1
LU
0.35
LCF
2
OAL
45
DCONMS
3
PL
0.4
SIG
90
FHA
25
ZEFF
2
The thinning pocket promotes smooth chip discharge and brings excellent hole position accuracy.
Sharp cutting edge and high fracture resistance.
Two-step point angles
Extensive support for CNC automatic lathes.
2D Model (DXF)
3D Model (STP)
Select files to download
Related Products
= in Stock
= Out of Stock