The actual product may differ from the displayed image.
The actual product may differ from the displayed image.
1
/
of
2
EDP
10631423
ANSI
DVAS0110X02S040 DP1120
ISO
DVAS0110X02S040 DP1120
Stock
8
Price
Regular price
$131.43 USD
Regular price
Sale price
$131.43 USD
Unit price
/
per
EDP
10631423
ANSI
DVAS0110X02S040 DP1120
ISO
DVAS0110X02S040 DP1120
Change the number in sums of 1s.
Couldn't load pickup availability

- Dimensions
- Features
- Drawings
- Technical Information
Coolant
Internal
Hand
Right
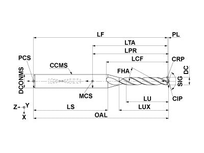
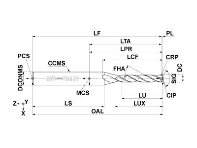
Unit: mm
DC
1.1
ULDR
2
LU
2.4
LCF
9
OAL
50
DCONMS
4
PL
0.2
SIG
141
FHA
28
DC Max
0.006
DC Min
-0.004
ZEFF
2
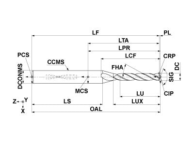
Unit: mm
DC
1.1
ULDR
2
LU
2.4
LCF
9
OAL
50
DCONMS
4
PL
0.2
SIG
141
FHA
28
DC Max
0.006
DC Min
-0.004
ZEFF
2
Mini Size
TRI-Cooling is optimal for small-diameter drills and can achieve more than double the conventional coolant discharge volume.
Increased coolant flow provides effective cooling even in difficult applications or when using an oil based cutting fluid.
2D Model (DXF)
3D Model (STP)
Select files to download
Related Products
= in Stock
= Out of Stock