The actual product may differ from the displayed image.
The actual product may differ from the displayed image.
1
/
of
2
EDP
10631669
ANSI
DVAS0120X07S040 DP1120
ISO
DVAS0120X07S040 DP1120
Stock
15
Price
Regular price
$159.73 USD
Regular price
Sale price
$159.73 USD
Unit price
/
per
EDP
10631669
ANSI
DVAS0120X07S040 DP1120
ISO
DVAS0120X07S040 DP1120
Change the number in sums of 1s.
Couldn't load pickup availability

- Dimensions
- Features
- Drawings
- Technical Information
Coolant
Internal
Hand
Right
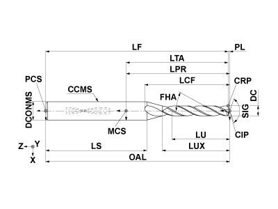
Unit: mm
DC
1.2
ULDR
7
LU
8.6
LCF
15.4
OAL
55
DCONMS
4
PL
0.2
SIG
139
FHA
28
DC Max
0
DC Min
-0.01
ZEFF
2
Unit: mm
DC
1.2
ULDR
7
LU
8.6
LCF
15.4
OAL
55
DCONMS
4
PL
0.2
SIG
139
FHA
28
DC Max
0
DC Min
-0.01
ZEFF
2
Mini Size
TRI-Cooling is optimal for small-diameter drills and can achieve more than double the conventional coolant discharge volume.
Increased coolant flow provides effective cooling even in difficult applications or when using an oil based cutting fluid.
2D Model (DXF)
3D Model (STP)
Select files to download
Related Products
= in Stock
= Out of Stock