The actual product may differ from the displayed image.
The actual product may differ from the displayed image.
1
/
of
2
EDP
10631881
ANSI
DVAS0180X12S040 DP1120
ISO
DVAS0180X12S040 DP1120
Stock
13
Price
Regular price
$219.04 USD
Regular price
Sale price
$219.04 USD
Unit price
/
per
EDP
10631881
ANSI
DVAS0180X12S040 DP1120
ISO
DVAS0180X12S040 DP1120
Change the number in sums of 1s.
Couldn't load pickup availability

- Dimensions
- Features
- Drawings
- Technical Information
Coolant
Internal
Hand
Right
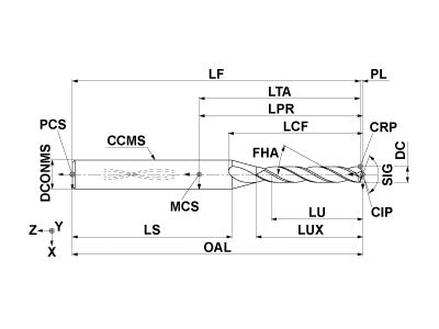
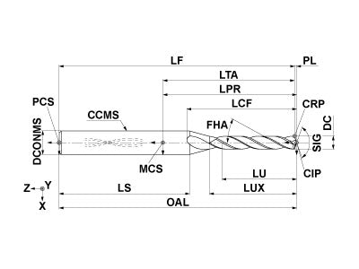
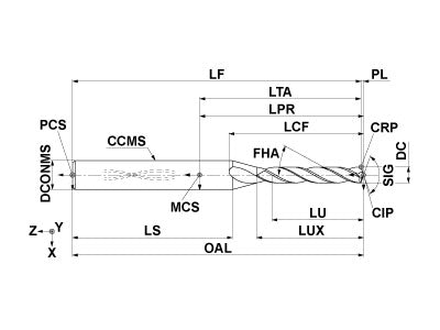
Unit: mm
DC
1.8
ULDR
12
LU
21.9
LCF
30
OAL
69
DCONMS
4
PL
0.3
SIG
139
FHA
28
DC Max
0
DC Min
-0.01
ZEFF
2
Unit: mm
DC
1.8
ULDR
12
LU
21.9
LCF
30
OAL
69
DCONMS
4
PL
0.3
SIG
139
FHA
28
DC Max
0
DC Min
-0.01
ZEFF
2
Mini Size
TRI-Cooling is optimal for small-diameter drills and can achieve more than double the conventional coolant discharge volume.
Increased coolant flow provides effective cooling even in difficult applications or when using an oil based cutting fluid.
2D Model (DXF)
3D Model (STP)
Select files to download
Related Products
= in Stock
= Out of Stock