The actual product may differ from the displayed image.
The actual product may differ from the displayed image.
1
/
of
2
EDP
10641781
ANSI
DWAE0100X04S030 DP102A
ISO
DWAE0100X04S030 DP102A
Stock
13
Price
Regular price
$128.54 USD
Regular price
Sale price
$128.54 USD
Unit price
/
per
EDP
10641781
ANSI
DWAE0100X04S030 DP102A
ISO
DWAE0100X04S030 DP102A
Change the number in sums of 1s.
Couldn't load pickup availability

- Dimensions
- Features
- Drawings
- Technical Information
Coolant
External
Hand
Right
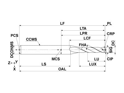
Unit: mm
DC
1
ULDR
4
LU
4
LCF
9.9
OAL
45
DCONMS
3
PL
0.2
SIG
135
FHA
25
DC Max
0
DC Min
-0.014
ZEFF
2
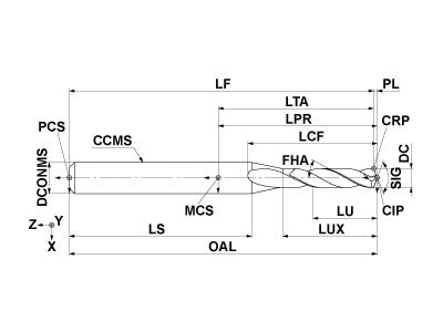
Unit: mm
DC
1
ULDR
4
LU
4
LCF
9.9
OAL
45
DCONMS
3
PL
0.2
SIG
135
FHA
25
DC Max
0
DC Min
-0.014
ZEFF
2
New Cutting Edge Treatment That Achieves Both Sharpness and Durability
Coated Grade DP102A
Unique Flute Form for Greater Rigidity
2D Model (DXF)
3D Model (STP)
Select files to download
Related Products
= in Stock
= Out of Stock