The actual product may differ from the displayed image.
The actual product may differ from the displayed image.
1
/
of
2
EDP
568392
ANSI
VFHVRB/0.5R2X04X15
ISO
VFHVRBD020R05N015T04
Stock
5
Price
Regular price
$97.31 USD
Regular price
Sale price
$97.31 USD
Unit price
/
per
EDP
568392
ANSI
VFHVRB/0.5R2X04X15
ISO
VFHVRBD020R05N015T04
Change the number in sums of 1s.
Couldn't load pickup availability

- Dimensions
- Features
- Drawings
- Technical Information
Coolant
External
Hand
Right
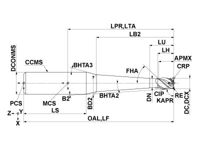
Unit: mm
DC
2
APMX
2
LU
4
LB2
15
LH
2.05
OAL
60
DN
1.9
DCONMS
6
BHTA2
0.4
BHTA3
15
RE
0.5
FHA
45
ZEFP
4
ZEFF
4
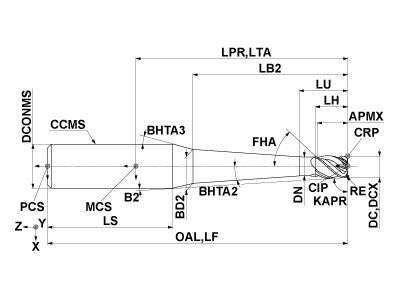
Unit: mm
DC
2
APMX
2
LU
4
LB2
15
LH
2.05
OAL
60
DN
1.9
DCONMS
6
BHTA2
0.4
BHTA3
15
RE
0.5
FHA
45
ZEFP
4
ZEFF
4
Impact Miracle corner radius end mill for high feed and efficient machining.
2D Model (DXF)
3D Model (STP)
Select files to download
Related Products
= in Stock
= Out of Stock