The actual product may differ from the displayed image.
The actual product may differ from the displayed image.
1
/
of
2
EDP
568499
ANSI
VFHVRB/0.5R2X09X40
ISO
VFHVRBD020R05N040T09
Stock
8
Price
Regular price
$143.25 USD
Regular price
Sale price
$143.25 USD
Unit price
/
per
EDP
568499
ANSI
VFHVRB/0.5R2X09X40
ISO
VFHVRBD020R05N040T09
Change the number in sums of 1s.
Couldn't load pickup availability

- Dimensions
- Features
- Drawings
- Technical Information
Coolant
External
Hand
Right
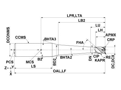
Unit: mm
DC
2
APMX
2
LU
4
LB2
40
LH
2.05
OAL
90
DN
1.9
DCONMS
6
BHTA2
0.9
BHTA3
15
RE
0.5
FHA
45
ZEFP
4
ZEFF
4
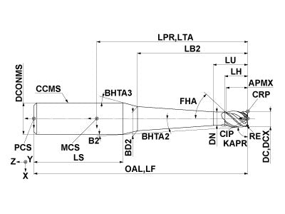
Unit: mm
DC
2
APMX
2
LU
4
LB2
40
LH
2.05
OAL
90
DN
1.9
DCONMS
6
BHTA2
0.9
BHTA3
15
RE
0.5
FHA
45
ZEFP
4
ZEFF
4
Impact Miracle corner radius end mill for high feed and efficient machining.
2D Model (DXF)
3D Model (STP)
Select files to download
Related Products
= in Stock
= Out of Stock