The actual product may differ from the displayed image.
The actual product may differ from the displayed image.
1
/
of
2
EDP
568544
ANSI
VFHVRB/0.8R3X09X20
ISO
VFHVRBD030R08N020T09
Stock
51
Price
Regular price
$110.32 USD
Regular price
Sale price
$110.32 USD
Unit price
/
per
EDP
568544
ANSI
VFHVRB/0.8R3X09X20
ISO
VFHVRBD030R08N020T09
Change the number in sums of 1s.
Couldn't load pickup availability

- Dimensions
- Features
- Drawings
- Technical Information
Coolant
External
Hand
Right
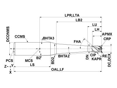
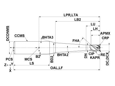
Unit: mm
DC
3
APMX
3
LU
6
LB2
20
LH
3.05
OAL
80
DN
2.9
DCONMS
6
BHTA2
0.9
BHTA3
15
RE
0.8
FHA
45
ZEFP
4
ZEFF
4
Unit: mm
DC
3
APMX
3
LU
6
LB2
20
LH
3.05
OAL
80
DN
2.9
DCONMS
6
BHTA2
0.9
BHTA3
15
RE
0.8
FHA
45
ZEFP
4
ZEFF
4
Impact Miracle corner radius end mill for high feed and efficient machining.
2D Model (DXF)
3D Model (STP)
Select files to download
Related Products
= in Stock
= Out of Stock