The actual product may differ from the displayed image.
The actual product may differ from the displayed image.
1
/
of
2
EDP
568675
ANSI
VFHVRB/1R4X09X30
ISO
VFHVRBD040R10N030T09
Stock
6
Price
Regular price
$123.34 USD
Regular price
Sale price
$123.34 USD
Unit price
/
per
EDP
568675
ANSI
VFHVRB/1R4X09X30
ISO
VFHVRBD040R10N030T09
Change the number in sums of 1s.
Couldn't load pickup availability

- Dimensions
- Features
- Drawings
- Technical Information
Coolant
External
Hand
Right
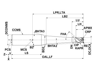
Unit: mm
DC
4
APMX
4
LU
7
LB2
30
LH
4.05
OAL
90
DN
3.9
DCONMS
6
BHTA2
0.9
BHTA3
15
RE
1
FHA
45
ZEFP
4
ZEFF
4
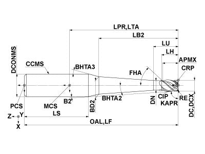
Unit: mm
DC
4
APMX
4
LU
7
LB2
30
LH
4.05
OAL
90
DN
3.9
DCONMS
6
BHTA2
0.9
BHTA3
15
RE
1
FHA
45
ZEFP
4
ZEFF
4
Impact Miracle corner radius end mill for high feed and efficient machining.
2D Model (DXF)
3D Model (STP)
Select files to download
Related Products
= in Stock
= Out of Stock