The actual product may differ from the displayed image.
The actual product may differ from the displayed image.
1
/
of
2
EDP
568721
ANSI
VFHVRB/1.5R6X09X50
ISO
VFHVRBD060R15N050T09
Stock
3
Price
Regular price
$199.17 USD
Regular price
Sale price
$199.17 USD
Unit price
/
per
EDP
568721
ANSI
VFHVRB/1.5R6X09X50
ISO
VFHVRBD060R15N050T09
Change the number in sums of 1s.
Couldn't load pickup availability

- Dimensions
- Features
- Drawings
- Technical Information
Coolant
External
Hand
Right
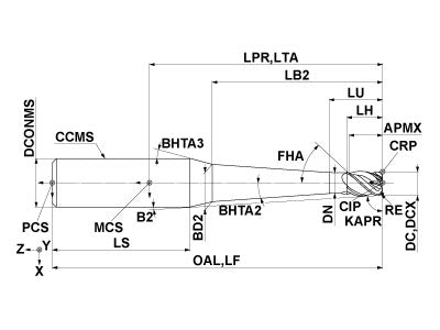
Unit: mm
DC
6
APMX
9
LU
12
LB2
50
LH
9.08
OAL
110
DN
5.85
DCONMS
8
BHTA2
0.9
BHTA3
15
RE
1.5
FHA
45
ZEFP
4
ZEFF
4
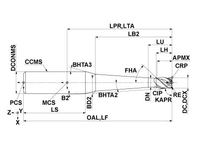
Unit: mm
DC
6
APMX
9
LU
12
LB2
50
LH
9.08
OAL
110
DN
5.85
DCONMS
8
BHTA2
0.9
BHTA3
15
RE
1.5
FHA
45
ZEFP
4
ZEFF
4
Impact Miracle corner radius end mill for high feed and efficient machining.
2D Model (DXF)
3D Model (STP)
Select files to download
Related Products
= in Stock
= Out of Stock