The actual product may differ from the displayed image.
The actual product may differ from the displayed image.
1
/
of
2
EDP
663787
ANSI
MVE0510X02S060 DP1020
ISO
MVE0510X02S060 DP1020
Stock
21
Price
Regular price
$106.76 USD
Regular price
Sale price
$106.76 USD
Unit price
/
per
EDP
663787
ANSI
MVE0510X02S060 DP1020
ISO
MVE0510X02S060 DP1020
Change the number in sums of 1s.
Couldn't load pickup availability

- Dimensions
- Features
- Drawings
- Technical Information
Coolant
External
Hand
Right
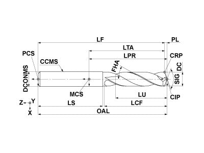
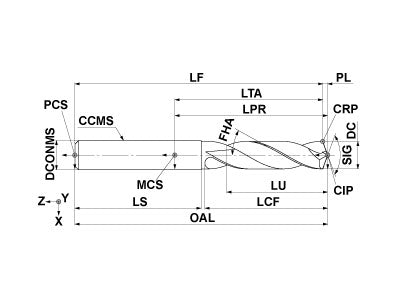
Unit: mm
DC
5.1
ULDR
2
LU
11.1
LCF
26.9
OAL
66.9
DCONMS
6
PL
0.9
SIG
140
FHA
30
DC Max
0
DC Min
-0.018
ZEFF
2
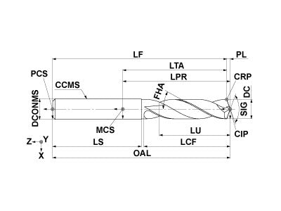
Unit: mm
DC
5.1
ULDR
2
LU
11.1
LCF
26.9
OAL
66.9
DCONMS
6
PL
0.9
SIG
140
FHA
30
DC Max
0
DC Min
-0.018
ZEFF
2
New grade DP1020 offers long tool life for a wide range of work materials.
The unique wavy cutting edge provides excellent sharpness and rigidity and helps to control wear at the periphery.
2D Model (DXF)
3D Model (STP)
Select files to download
Related Products
= in Stock
= Out of Stock