The actual product may differ from the displayed image.
The actual product may differ from the displayed image.
1
/
of
2
EDP
664157
ANSI
MVE0780X02S080 DP1020
ISO
MVE0780X02S080 DP1020
Stock
3
Price
Regular price
$125.72 USD
Regular price
Sale price
$125.72 USD
Unit price
/
per
EDP
664157
ANSI
MVE0780X02S080 DP1020
ISO
MVE0780X02S080 DP1020
Change the number in sums of 1s.
Couldn't load pickup availability

- Dimensions
- Features
- Drawings
- Technical Information
Coolant
External
Hand
Right
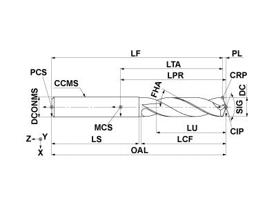
Unit: mm
DC
7.8
ULDR
2
LU
17
LCF
38.4
OAL
80.4
DCONMS
8
PL
1.4
SIG
140
FHA
30
DC Max
0
DC Min
-0.022
ZEFF
2
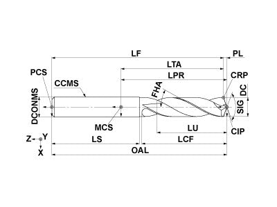
Unit: mm
DC
7.8
ULDR
2
LU
17
LCF
38.4
OAL
80.4
DCONMS
8
PL
1.4
SIG
140
FHA
30
DC Max
0
DC Min
-0.022
ZEFF
2
New grade DP1020 offers long tool life for a wide range of work materials.
The unique wavy cutting edge provides excellent sharpness and rigidity and helps to control wear at the periphery.
2D Model (DXF)
3D Model (STP)
Select files to download
Related Products
= in Stock
= Out of Stock