The actual product may differ from the displayed image.
The actual product may differ from the displayed image.
1
/
of
2
EDP
694524
ANSI
MVE1290X02S140 DP1020
ISO
MVE1290X02S140 DP1020
Stock
12
Price
Regular price
$292.74 USD
Regular price
Sale price
$292.74 USD
Unit price
/
per
EDP
694524
ANSI
MVE1290X02S140 DP1020
ISO
MVE1290X02S140 DP1020
Change the number in sums of 1s.
Couldn't load pickup availability

- Dimensions
- Features
- Drawings
- Technical Information
Coolant
External
Hand
Right
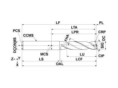
Unit: mm
DC
12.9
ULDR
2
LU
28.1
LCF
53.3
OAL
104.3
DCONMS
14
PL
2.3
SIG
140
FHA
30
DC Max
0
DC Min
-0.027
ZEFF
2
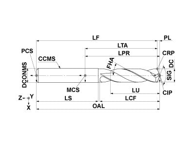
Unit: mm
DC
12.9
ULDR
2
LU
28.1
LCF
53.3
OAL
104.3
DCONMS
14
PL
2.3
SIG
140
FHA
30
DC Max
0
DC Min
-0.027
ZEFF
2
New grade DP1020 offers long tool life for a wide range of work materials.
The unique wavy cutting edge provides excellent sharpness and rigidity and helps to control wear at the periphery.
2D Model (DXF)
3D Model (STP)
Select files to download
Related Products
= in Stock
= Out of Stock